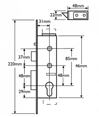
Centre Case

Buy replacement multipoint lock cases, or gearboxes as they're often referred to. This is a convenient option to repair or replace a broken multipoint door lock that could be found on a Upvc, timber or composite door. A wide range of brands are stocked: Yale Lockmaster, Ferco, GU, MACO, Millenco, Avantis, Fullex, ERA and Winkhaus.

Go to all products
Skip to results list
Category
Brand
Availability
Price
to
The highest price is £244.63
Clear
Security level
47 items
Column grid
Column grid

Filter

Category
Brand
Availability
Price
to
The highest price is £244.63
Security level